Zum Hauptinhalt springen
Zur Suche springen
Zur Hauptnavigation springen
Um unseren Shop in vollem Umfang nutzen zu können, empfehlen wir Ihnen Javascript in Ihrem Browser zu aktivieren.
TEST
Ihr Experte für alles rund um den Espresso
Alle Kategorien
Kategoriefilter aktiv
Alle Kategorien
Siebträger
Espressomühlen
Vollautomaten
Ersatzteile
Kaffee
Pflegeartikel
Espresso-Zubehör
Kaffee Journal
% Sale
Ihr Konto
Anmelden
oder
registrieren
Übersicht
Persönliches Profil
Adressen
Bestellungen
0,00 €
Warenkorb enthält 0 Positionen. Der Gesamtwert beträgt 0,00 €.
Home
Siebträger
Zur Kategorie Siebträger
Bezzera
Dalla Corte
ECM
Eureka
La Marzocco
Profitec
Quick Mill
Rocket Espresso
Espressomühlen
Zur Kategorie Espressomühlen
Ceado
ECM Mühlen
Eureka
Hey Café
La Marzocco
Macap
Mahlkönig
Profitec
Rocket Espresso
Espressomühlen für die Gastronomie
Vollautomaten
Ersatzteile
Zur Kategorie Ersatzteile
Ersatzteile Siebträger
Ersatzteile Bezzera
Ersatzteile ECM
Ersatzteile Gaggia
Ersatzteile Lelit
Ersatzteile Profitec
Ersatzteile Rocket Espresso
Ersatzteile Quick Mill
Ersatzteile Rancilio
Ersatzteile Espressomühlen
Ersatzteile ECM Mühlen
Ersatzteile Eureka Mühlen
Ersatzteile Mahlkönig Mühlen
Ersatzteile Macap Mühlen
Ersatzteile Ceado Mühlen
Ersatzteile Mazzer Mühlen
Ersatzteile Gastromaschinen
Ersatzteile Azkoyen
Ersatzteile Bravilor Bonamat
Ersatzteile Necta
Ersatzteile Rex Royal
Ersatzteile Schaerer / WMF
Kaffee
Zur Kategorie Kaffee
Espresso Marese
Mee Kaffee
Basilius
Pflegeartikel
Zur Kategorie Pflegeartikel
Entkalkungsmittel
Milchsystemreiniger
Reinigungsmittel
Wasserfilter
Pflegeartikel Siebträger
Pflegesets
Pflegezubehör
Filtersysteme
Espresso-Zubehör
Zur Kategorie Espresso-Zubehör
Marese Zubehör
Tamper
Tamperstationen
Milchkännchen
Zubehörsets
sonstiges Barista-Zubehör
Schubladen
Wiedemann Zubehör
Zubehör Siebträger
Abklopfbehälter
Dampfdüsen
Filterträger
Holzgriffe
Milchkännchen
Tamper
Zubehör Kaffeeautomaten
Zubehör für Gastronomie & Gewerbe
Festwasser
Tassen & Gläser
Kaffee Journal
Reparaturanleitungen
Produktvorstellungen
Barista Wissen
Kaffeegeschichte(n)
Barista Guide
% Sale
Menü
Siebträger
Bezzera
Dalla Corte
ECM
Eureka
La Marzocco
Profitec
Quick Mill
Rocket Espresso
Espressomühlen
Ceado
ECM Mühlen
Eureka
Hey Café
La Marzocco
Macap
Mahlkönig
Profitec
Rocket Espresso
Espressomühlen für die Gastronomie
Vollautomaten
Ersatzteile
Ersatzteile Siebträger
Ersatzteile Bezzera
Ersatzteile ECM
Ersatzteile Gaggia
Ersatzteile Lelit
Ersatzteile Profitec
Ersatzteile Rocket Espresso
Ersatzteile Quick Mill
Ersatzteile Rancilio
Ersatzteile Espressomühlen
Ersatzteile ECM Mühlen
Ersatzteile Eureka Mühlen
Ersatzteile Mahlkönig Mühlen
Ersatzteile Macap Mühlen
Ersatzteile Ceado Mühlen
Ersatzteile Mazzer Mühlen
Ersatzteile Gastromaschinen
Ersatzteile Azkoyen
Ersatzteile Bravilor Bonamat
Ersatzteile Necta
Ersatzteile Rex Royal
Ersatzteile Schaerer / WMF
Kaffee
Espresso Marese
Mee Kaffee
Basilius
Pflegeartikel
Entkalkungsmittel
Milchsystemreiniger
Reinigungsmittel
Wasserfilter
Pflegeartikel Siebträger
Pflegesets
Pflegezubehör
Filtersysteme
Espresso-Zubehör
Marese Zubehör
Tamper
Tamperstationen
Milchkännchen
Zubehörsets
sonstiges Barista-Zubehör
Schubladen
Wiedemann Zubehör
Zubehör Siebträger
Abklopfbehälter
Dampfdüsen
Filterträger
Holzgriffe
Milchkännchen
Tamper
Zubehör Kaffeeautomaten
Zubehör für Gastronomie & Gewerbe
Festwasser
Tassen & Gläser
Kaffee Journal
Reparaturanleitungen
Produktvorstellungen
Barista Wissen
Kaffeegeschichte(n)
Barista Guide
% Sale
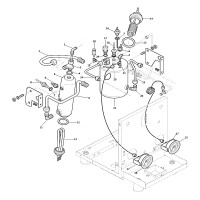
Explosionszeichnungen für Rocket Espresso Cinquantotto
Boiler
Brühgruppe
Dampf-, Heißwasserdüse
Elektronik
Gehäuse
Wassertank Pumpe
Diese Website verwendet Cookies, um eine bestmögliche Erfahrung bieten zu können.
Mehr Informationen ...
Datenschutz
|
Impressum
Nur technisch notwendige
Konfigurieren
Alle Cookies akzeptieren
Zurück